剛體滑觸線集電器,滑觸線集電器,受電器,供電器滑線集電器(碳刷|電刷)
是滑觸線系統中集電側拾取電能的主要裝置,它通過集電刷與導軌的滑動接觸,將電能直接傳導至用電器,從而實現系統的移動供電。滑觸線集電器由機械結構的張力裝置和直接與導軌滑動接觸的集電刷兩部分組成。滑觸線集電器,受電器,供電器,導電器,滑線廠家上海征原電氣。多極滑觸線集電器,單極滑觸線集電器,單極排式滑觸線集電器,組合式滑線集電器。(行業:滑觸線、滑線、滑導線、滑接移動輸電供電)
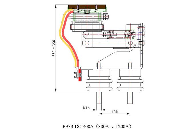
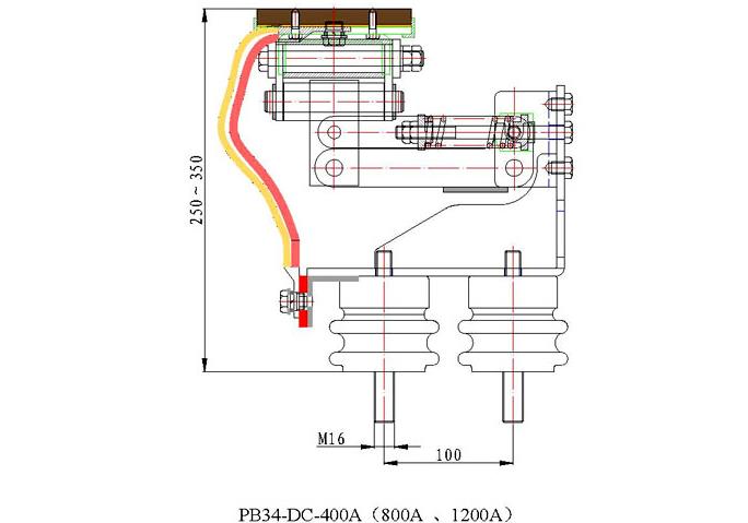
附:PB系列剛體滑觸線集電器規格尺寸圖














剛體滑觸線集電器,滑觸線集電器是滑線系統中最主要的部件之一。滑觸線集電器是滑觸線系統中集電側拾取電能的主要裝置,它通過集電刷與導軌的滑動接觸,將電能直接傳導至用電器,從而實現系統的移動供電。集電器由機械結構的張力裝置和直接與導軌滑動接觸的集電刷兩部分組成。
鋼體滑觸線集電器機械結構的張力裝置決定集電刷與導軌的滑動接觸壓力和機構的穩定性,集電刷則是導軌滑動接觸拾取電能的導體,它的性能和導電質量以及材料結構成分的優劣,將直接影響整個系統設備的安全運行質量。
